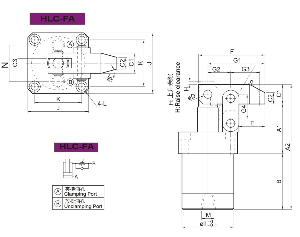
- HLC-FA杠桿式油壓法蘭型
- 【Brief】:
-
.This type of hydraulic cylinder, the clamping mechanism is the lever principle, the piston is pushed out for the clamping state, the main parts of the mechanism are installed outside the cylinder body, easy to maintain.
-
The material of cylinder block and clamping mechanism is made of carbon steel for mechanical construction, which is durable and has long service life.
-
- 【Series】:油壓系列



Related Products
Next:HLC-FAM杠桿式油壓缸法蘭型油路板







